Produkte zeigen
SATA-Schiebetisch,Schiebetisch,linearerSchiebetisch,linearerSchiebetisch,SATA,Modul,elektrischerSchiebetisch,linearesModul,Manipulator,XY-Plattform,elektrischerZylinder,linearerMotor,linearesPferd,DD-…
Produkte zeigen
Hohl rotierende Plattform

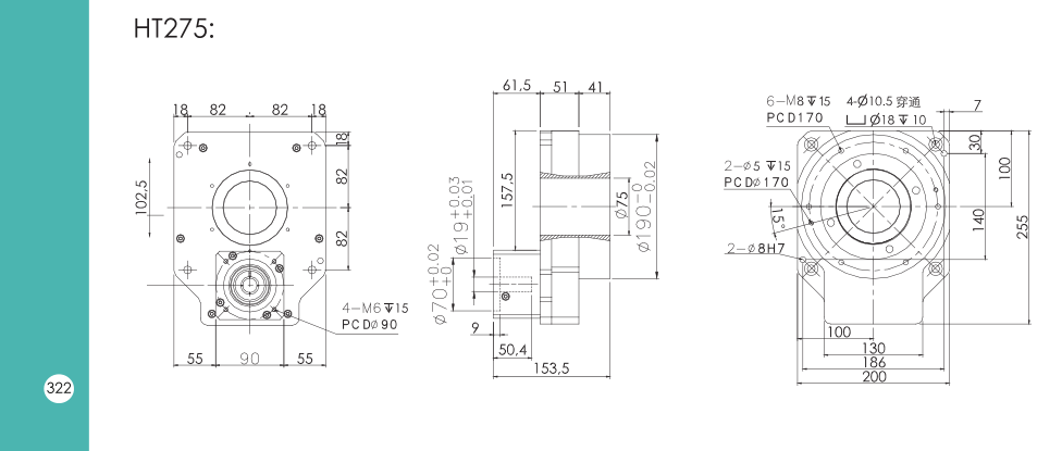
Hohl rotierende Plattform HT-275

1. Stabile Bedienung und genaue Positionierung unter Trägheitslast
2. Geschwindigkeitsverminderung, einfach zu installieren, Platz sparen
3. Hollow Design, kann Rohrleitungen Bedürfnisse
  Für 2D- und 3D-Grafiken gehen Sie bitte zu "Produktmodell" Herunterladen

Copyright & copy; 2015-2020 Alle Rechte vorbehalten: Shidatong Automation Co., Ltd. Technischer Support: Tusheng Technology